1万円以上で送料無料
1万円以上で送料無料
  • 新規登録 新規登録
  • ログイン ログイン
  • お気に入り お気に入り
  • 0

    現在カート内に商品はございません。

    カート カート
0120-2210-15 製品・注文についてのお問合せ

製品カテゴリ一覧

ビニールカーテン
カーテンレールセット
間仕切りポールセット
カーテンレール・部品単品
ビニールカーテンの施工事例 お客様の声 施工にも対応
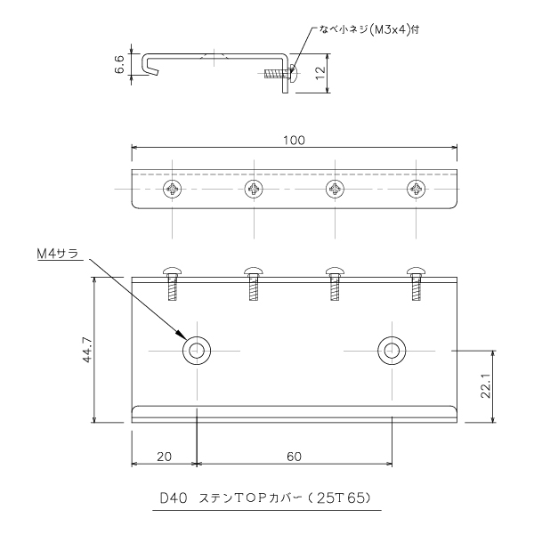
D40ステンTOPカバー

D40部品【ジョイント・ストップ】 D40ステンTOPカバー

■ 材質 ステンレス
■ ジョイント部1ヶ所につき継カバー1個、ジョイントもしくはローレットジョイント2本と共に使用します。

商品詳細を確認する (別ウィンドウで開きます)

個数を選択してください。

数量

価格¥1,408(税込)

商品詳細/寸法図

  • 劇場、ホテル、体育館などステージ幕・暗幕カーテン・テントシートはもちろん、あらゆる場所での、あらゆる物の吊り下げに使用できます。
  • 工事現場や工場、店舗等の間仕切りカーテン、シートに最適で開閉もスムーズ、ハイグレードな大型機能レールです。
  • ランナーは優れた走行性と、耐荷重を兼ねそろえています。
  • スチールレールの規格は2m・3m・4mがあります。それ以上の長さをご使用の場合はジョイント、継カバー等を使用し、接続してください。
  • レール自体にビス穴は開いていません。ブラケットをご使用いただくか、ビス穴をあけていただき取付してください。直付けする場合はビス頭がランナーと干渉しないようビス頭の小さなものをご使用ください。

寸法図

  • レールの寸法図
  • 取付方法
  • 取付方法

レールをジョイントする方法

規格より長いレール軌道を作る場合やカーブレール等を組み合わせる場合にはカーテンレールを継ぎ合わせて使用します。
継カバーをレールの片側にはめ込み、ジョイント(2本)をレール内側の穴に押入れてカーテンレールを継ぎ合わせる。レールを突き合わせたら継カバーをスライドさせ継ぎ目部分を継カバー側面のビスで固定します。
※接続部分の付近にはブラケットを使用してください。

レールをジョイントする方法

D40ブラケット取付間隔とカーテン適正重量表

取付間隔とカーテン適正重量

D40ランナー寸法図と許容荷重

ランナー寸法図と許容荷重

お買い物忘れはございませんか?

TOP