1万円以上で送料無料
1万円以上で送料無料
  • 新規登録 新規登録
  • ログイン ログイン
  • お気に入り お気に入り
  • 0

    現在カート内に商品はございません。

    カート カート
0120-2210-15 製品・注文についてのお問合せ

製品カテゴリ一覧

ビニールカーテン
カーテンレールセット
間仕切りポールセット
カーテンレール・部品単品
ビニールカーテンの施工事例 お客様の声 施工にも対応
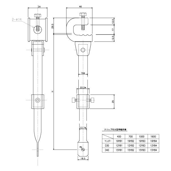
クリップ付大型伸縮吊棒700

D30・D40共用【吊棒】 クリップ付大型伸縮吊棒700

■ 材質 スチール/ユニクロ
■ 適合フランジ厚 3〜16mm
■ H=400~700㎜(HはH鋼下面から爪取付ビス穴までの寸法です)。
■長さと角度が調整できるので垂直吊りの他、V吊も簡単に施工できます。

商品詳細を確認する (別ウィンドウで開きます)

個数を選択してください。

数量

価格¥3,784(税込)

商品詳細/寸法図

  • 伸縮吊棒爪や吊ブラケットと組み合わせてレールを吊り下げて敷設する場合に使用します。
  • 長さと角度が調整できるので垂直吊りの他、V吊も簡単に施工できます。
  • 長さの調整方法
    ①ジョイント部にある伸縮止め金具の六角穴ボルトを両側から締めて仮止めしてください。
    ②長さが決まったら、ボルトが食い込むまできつく最後まで締めて完全に固定してください。
    一度締めるとパイプが変形して伸縮できなくなりますので注意してください。
    ※ビスの締め付けには六角レンチ4mm(断面寸法)を使用してください。

お買い物忘れはございませんか?

TOP